hyundai ac 3 phase motor wiring

Hyundai Workshop Manuals > Veracruz AWD V6-3.8L (2007) > Powertrain. 18 Pictures about Hyundai Workshop Manuals > Veracruz AWD V6-3.8L (2007) > Powertrain : 57 Wiring Diagram Ac 3 Phase - Wiring Diagram Harness, Ac Wiring Diagram 02 Hyundai Accent | schematic and wiring diagram and also Hyundai Starex Wiring Diagram Pdf - Wiring Diagram.

Hyundai Workshop Manuals > Veracruz AWD V6-3.8L (2007) > Powertrain

Hyundai Workshop Manuals > Veracruz AWD V6-3.8L (2007) > Powertrain workshop-manuals.com

manuals 8l veracruz consisted circuits

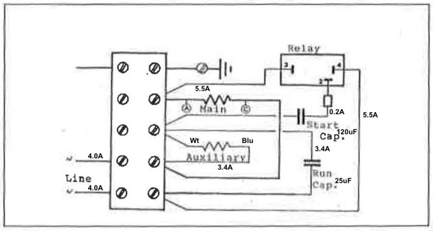
57 Wiring Diagram Ac 3 Phase - Wiring Diagram Harness

57 Wiring Diagram Ac 3 Phase - Wiring Diagram Harness wiringdiagramharnessideas.blogspot.com

lg capacitor circuit imageservice danfoss contactor likewise

Honeywell 4 Wire Zone Valve Wiring Diagram - Search Best 4K Wallpapers

Honeywell 4 Wire Zone Valve Wiring Diagram - Search Best 4K Wallpapers www.smarts4k.com

wiring honeywell aquastat

Hyundai Starex Wiring Diagram Pdf - Wiring Diagram

Hyundai Starex Wiring Diagram Pdf - Wiring Diagram wiring121.blogspot.com

hyundai wiring diagram starex electrical county manual

Dayton Fan Wiring Diagram / Dayton Fan Wiring Diagram For 45Lw12

Dayton Fan Wiring Diagram / Dayton Fan Wiring Diagram For 45Lw12 rth3100c-wiring-diagram.blogspot.com

rth3100c

45 Lafert Motor Wiring Diagram - Wiring Diagram Harness Info

45 Lafert Motor Wiring Diagram - Wiring Diagram Harness Info kmallco.blogspot.com

lafert motor wiring engineer

99 Hyundai Elantra Wiring Color - Wiring Diagram Networks

99 Hyundai Elantra Wiring Color - Wiring Diagram Networks kelvin-okl.blogspot.com

elantra

[WW_6492] 2 Pole Stator Wiring Diagram Free Diagram

[WW_6492] 2 Pole Stator Wiring Diagram Free Diagram hila.hapolo.mohammedshrine.org

Im Installing A Cng Kit On My Brothers Car And I Need A Wiring

Im installing a cng kit on my brothers car and i need a wiring www.justanswer.com

cng installing brothers kit hyundai im accent

Ac Wiring Diagram 02 Hyundai Accent | Schematic And Wiring Diagram

Ac Wiring Diagram 02 Hyundai Accent | schematic and wiring diagram schematicandwiringdiagram.blogspot.com

325i corvette e46

Hyundai Wiring Diagrams 2007 To 2010 - YouTube

Hyundai Wiring Diagrams 2007 to 2010 - YouTube www.youtube.com

wiring diagram engine hyundai 2007 diagrams d4cb

[RW_9364] 220 Single Phase Motor Wiring Wiring Diagram

[RW_9364] 220 Single Phase Motor Wiring Wiring Diagram nect.ponol.renstra.fr09.org

phase reversing schematic unidentifiable backwards

Country Coach Wiring Schematic - Fuse & Wiring Diagram

Country Coach Wiring Schematic - Fuse & Wiring Diagram fusewiring.blogspot.com

schematic tucson coach stereo helper

Hyundai Wiring Diagram - Wiring Diagrams

Hyundai Wiring Diagram - Wiring Diagrams cars-wiringdiagram.blogspot.com

elantra g37 repair

DIY HEADPHONE AMP SCHEMATICS - Auto Electrical Wiring Diagram

DIY HEADPHONE AMP SCHEMATICS - Auto Electrical Wiring Diagram wireimage.herokuapp.com

schematics

3 Phase Electric Furnace Wiring Diagram - Wiring Diagram 89

3 Phase Electric Furnace Wiring Diagram - Wiring Diagram 89 wooranswhitepages.blogspot.com

wiring diagram furnace electric coleman phase mobile

Wiring Diagrams? - Hyundai Forums : Hyundai Forum

Wiring Diagrams? - Hyundai Forums : Hyundai Forum www.hyundai-forums.com

Hyundai Spare Parts: Hyundai Spare Parts: Finding The Perfect Auto

Hyundai spare parts: Hyundai spare parts: Finding the Perfect Auto hyundaisp.blogspot.com

wiring hyundai parts spare repair finding perfect diagrams manual schematic example electric

Country coach wiring schematic. Wiring diagrams?. Diy headphone amp schematics